
product center

單排四點接觸球式回轉支承(01系列)——無齒式
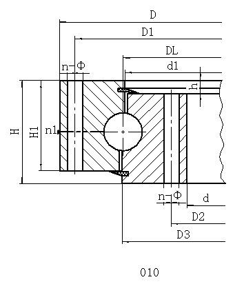
結構特點、性能、適用范圍
單排四點接觸球式回轉支承由兩個座圈組成,結構緊湊、重量輕、鋼球與圓弧滾道四點接觸,能同時承受軸向力、徑向力和傾翻力矩。回轉式輸送機、焊接操作機、中小型起重機和挖掘機等工程機械均可選用。
序號
基本型號
外型尺寸
安裝尺寸
結構尺寸
參考
無齒式
D
d
H
D1
D2
n
mm
dm
L
n1
D3
d1
H1
h
1
010.20.200
280
120
60
248
152
12
16
M14
28
2
201
199
50
10
20
2
010.20.224
304
144
60
272
176
12
16
M14
28
2
225
223
50
10
22
3
010.20.250
330
170
60
298
202
18
16
M14
28
2
251
249
50
10
25
4
010.20.280
360
200
60
328
232
18
16
M14
28
2
281
279
50
10
28
5
010.25.315
408
222
70
372
258
20
18
M16
32
2
316
314
60
10
44
6
010.25.355
448
262
70
412
298
20
18
M16
32
2
356
354
60
10
49
7
010.25.400
493
307
70
457
343
20
18
M16
32
2
401
399
60
10
56
8
010.25.450
543
357
70
507
393
20
18
M16
32
2
451
449
60
10
62
9
010.30.500
602
398
80
566
434
20
18
M16
32
4
501
498
70
10
85
9’
010.25.500
602
398
80
566
434
20
18
M16
32
4
501
499
70
10
85
10
010.30.560
662
458
80
626
494
20
18
M16
32
4
561
558
70
10
95
10’
010.25.560
662
458
80
626
494
20
18
M16
32
4
561
559
70
10
95
11
010.30.630
732
528
80
696
564
24
18
M16
32
4
631
628
70
10
110
11’
010.25.630
732
528
80
696
564
24
18
M16
32
4
631
629
70
10
110
12
010.30.710
812
608
80
776
644
24
18
M16
32
4
711
708
70
10
120
12’
010.25.710
812
608
80
776
644
24
18
M16
32
4
711
709
70
10
120
13
010.40.800
922
678
100
878
722
30
22
M20
40
6
801
798
90
10
220
13’
010.30.800
922
678
100
878
722
30
22
M20
40
6
801
798
90
10
220
14
010.40.900
1022
778
100
978
822
30
22
M20
40
6
901
898
90
10
240
14’
010.30.900
1022
778
100
978
822
30
22
M20
40
6
901
898
90
10
240
15
010.40.1000
1122
878
100
1078
922
36
22
M20
40
6
1001
998
90
10
270
15’
010.30.1000
1122
878
100
1078
922
36
22
M20
40
6
1001
998
90
10
270
16
010.40.1120
1242
998
100
1198
1042
36
22
M20
40
6
1121
1118
90
10
300
16’
010.30.1120
1242
998
100
1198
1042
36
22
M20
40
6
1121
1118
90
10
300
17
010.45.1250
1390
1110
110
1337
1163
40
26
M24
48
5
1252
1248
100
10
420
17’
010.35.1250
1390
1110
110
1337
1163
40
26
M24
48
5
1251
1248
100
10
420
18
010.45.1400
1540
1260
110
1487
1313
40
26
M24
48
5
1402
1398
100
10
480
18’
010.35.1400
1540
1260
110
1487
1313
40
26
M24
48
5
1401
1398
100
10
480
19
011.45.1600
1740
1460
110
1687
1513
45
26
M24
48
5
1602
1598
100
10
550
19’
010.35.1600
1740
1460
110
1687
1513
45
26
M24
48
5
1601
1598
100
10
550
20
010.45.1800
1940
1660
110
1887
1713
45
26
M24
48
5
1802
1798
100
10
610
20’
010.35.1800
1940
1660
110
1887
1713
45
26
M24
48
5
1801
1798
100
10
610
21
010.60.2000
2178
1825
144
2110
1891
48
33
M30
60
8
2002
1998
132
12
1100
21’
010.40.2000
2178
1825
144
2110
1891
48
33
M30
60
8
2001
1998
132
12
1100
22
010.60.2240
2418
2065
144
2350
2131
48
33
M30
60
8
2242
2238
132
12
1250
22’
010.40.2240
2418
2065
144
2350
2131
48
33
M30
60
8
2241
2238
132
12
1250
23
010.60.2500
2678
2325
144
2610
2391
56
33
M30
60
8
2502
2498
132
12
1400
23’
010.40.2500
2678
2325
144
2610
2391
56
33
M30
60
8
2501
2498
132
12
1400
24
010.60.2800
2978
2625
144
2910
2691
56
33
M30
60
8
2802
2798
132
12
1600
24’
010.40.2800
2978
2625
144
2910
2691
56
33
M30
60
8
2802
2798
132
12
1600
25
010.75.3150
3376
2922
174
3286
3014
56
45
M42
84
8
3152
3147
162
12
2800
25’
010.50.3150
3376
2922
174
3286
3014
56
45
M42
84
8
3152
3147
162
12
2800
26
010.75.3550
3776
3322
174
3686
3414
56
45
M42
84
8
3552
3547
162
12
3500
26’
010.50.3550
3776
3322
174
3686
3414
56
45
M42
84
8
3552
3548
162
12
3500
27
010.75.4000
4226
3772
174
4136
3864
60
45
M42
84
10
4002
3997
162
12
4200
27’
010.50.4000
4226
3772
174
4136
3864
60
45
M42
84
10
4002
3998
162
12
4200
28
010.75.4500
4726
4272
174
4636
4364
60
45
M42
84
10
4502
4497
162
12
5100
28’
010.50.4500
4726
4272
174
4636
4364
60
45
M42
84
10
4502
4498
162
12
5100
重量
kg
DL
mm
mm
mm
mm
mm
mm
mm
mm
mm
mm
mm
mm
mm
注:
1、n1為潤滑油孔數,均布:油杯M10×1 JB/T7940.1-JB/T7940.2
2、安裝孔n-dn1、n-dn2可改用螺孔;齒寬b可改為H-h。